H44H、H44Y型旋启式止回阀是靠管路中介质本身的流动产生的力而自动开启和关闭的,属于一种自动阀门。止回阀用于管路系统,其主要作用是防止介质倒流、防止泵及其驱动电机机反转,以及容器内介质的泄放。止回阀还可用于给其中的压力可能升至超过主系统压力的辅助系统提供补给的管路上。
零件名称 | 材料 |
阀体 | 碳素钢WCB |
阀盖 | 碳素钢WCB |
阀瓣 | 碳素钢WCB+硬质合金或不锈钢 |
阀座 | 碳素钢WCB+硬质合金或不锈钢 |
阀杆 | 不锈钢 |

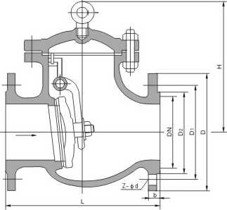
型号 | DN | 系列1 | 系列2 | D | D1 | D2 | b | n-0d | H |
H44H-10C | DN40 | 200 | 200 | 145 | 110 | 85 | 16 | 4-0 18 | 130 |
DN50 | 230 | 230 | 160 | 125 | 100 | 16 | 4-0 18 | 135 | |
DN65 | 290 | 290 | 180 | 145 | 120 | 18 | 4-018 | 145 | |
DN80 | 310 | 310 | 195 | 160 | 135 | 20 | 8-0 18 | 175 | |
DN100 | 350 | 350 | 220 | 180 | 155 | 20 | 8-018 | 200 | |
DN125 | 400 | 400 | 245 | 210 | 185 | 22 | 8-018 | 255 | |
DN150 | 480 | 480 | 280 | 240 | 210 | 24 | 8-023 | 320 | |
DN200 | 495 | 550 | 340 | 295 | 265 | 24 | 8-0 23 | 380 | |
DN250 | 622 | 650 | 395 | 350 | 320 | 26 | 12-0)23 | 440 | |
DN300 | 698 | 750 | 445 | 400 | 370 | 26 | 12-0 23 | 480 | |
DN350 | 787 | 850 | 505 | 460 | 430 | 30 | 16-0)23 | 530 | |
DN400 | 864 | 950 | 565 | 515 | 482 | 32 | 16-<D 26 | 560 | |
DN450 | 978 | 1050 | 615 | 565 | 532 | 36 | 20-0 26 | 620 | |
DN500 | 978 | 1150 | 670 | 620 | 585 | 38 | 20-0 26 | 655 |
版权所有:博纳斯威阀门股份有限公司 地 址:天津市宝坻区九园工业园5号路
版权所有:博纳斯威阀门股份有限公司
地 址:天津市宝坻区九园工业园5号路