Product Center

产品中心

BNSV 偏心半球阀(上装式)

概述

偏心半球阀是近年来发展最快的阀类之一,它通过转动阀芯,带动固定在其上的球冠来达到阀门的启闭。简单、可靠的结构形式及有效的密封方式,使它不但可以更具优势的替代闸阀和蝶阀,而且可适用于它们不可使用的系统中。

● 偏心设计,减少磨损,延长使用寿命。偏心半球阀采用偏心设计,当阀轴旋转3~5°,球冠和阀座就脱离开来。也就是说,偏心半球阀在开启和关闭的过程中,密封副都没有接触,没有摩擦,减少磨损,球冠和阀座得到了保护,阀门使用寿命长。

● 水头损失小。在阀门开启时,球冠在阀芯的带动下被隐藏于阀芯后,流道中没有任何阻碍,完全畅通,水头损失小,节能降耗。

● 密封性能好。关闭时介质的作用力推动球冠靠向阀座,水压越大,密封性越好,具有良好的自密封性。

● 高度小。偏心半球阀具有闸阀的全通径性又具有蝶阀一样的高度。

● 切削杂物。密封副球冠设计为锋利的刀口,在关闭过程中,能切断杂物,继续关闭无泄漏。

● 在线维修。在维修时不需要把阀门从管道中取出,只需要打开阀盖进行维修。

● 操作型式多样。可用手动蜗轮、电动、气动、液动等装置操作,也可与液控装置配置成液控止回偏心半球阀用于水泵出口起止回防水锤之用。


序号

名称

材质

1

阀体

球墨铸铁QT450-10、铸钢WCB

2

球冠

不锈钢20Cr13

3

阀芯

球墨铸铁QT450-10、铸钢WCB

4

橡胶阀座

三元乙丙橡胶EPDM或丁腈橡胶NBR

5

主、从动轴

不锈钢20Cr13

6

阀座

不锈钢304

7

上、下轴套

铜合金复合轴套

8

紧固件

A2-70和碳钢镀锌

9

阀盖

球墨铸铁QT450-10、铸钢WCB

10

O型密封圈

三元乙丙橡胶EPDM或丁腈橡胶NBR

11

传动装置

组合件


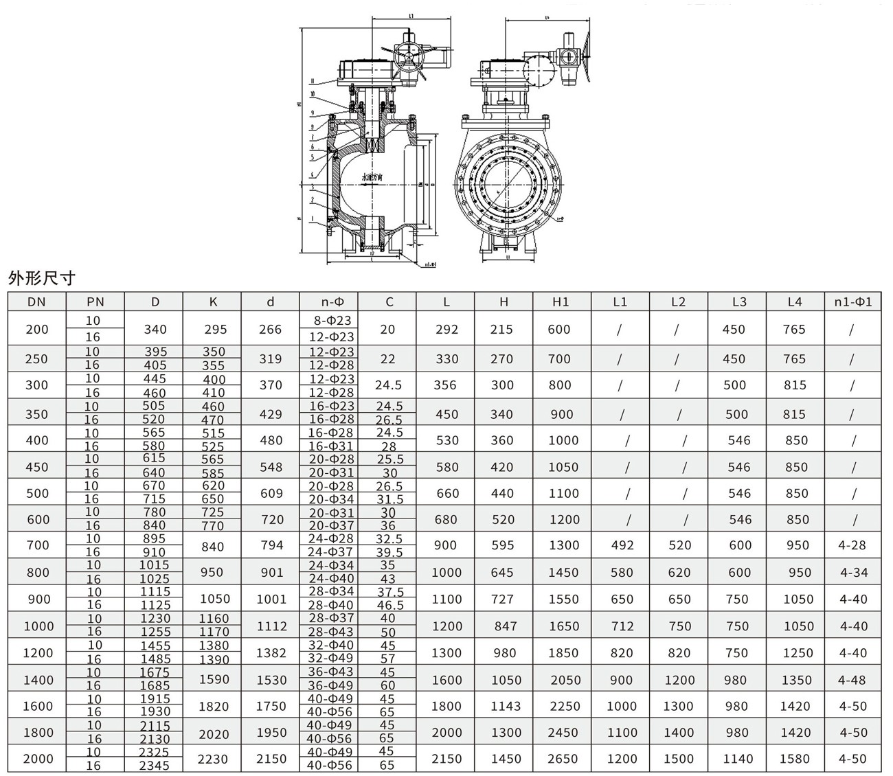
偏心半球 上装.jpg