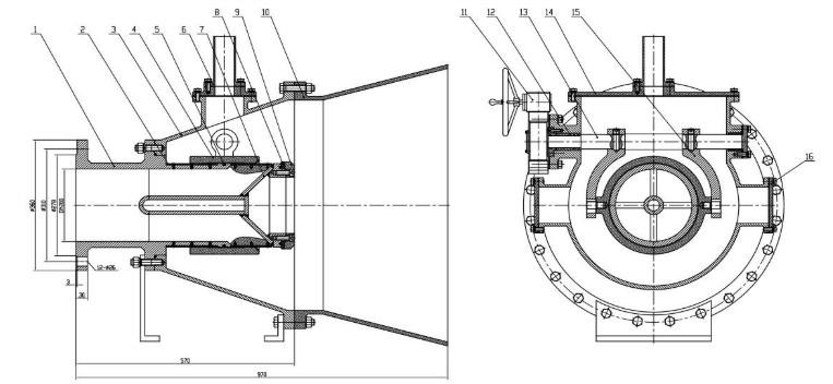
固定锥形阀是一种适应高水头、大流量工况,运行过程中无振动、无气蚀的排放阀门,常用于以下系统:水轮发电机组事故泄水阀(旁通自由排放阀);水库大坝放空泄流阀;水库供水管道流量调节阀;自来水供水系统中各区压力调控阀。
| 零件名称 | 阀体 | 套管闸 | 阀座 | 密封面 |
| 材料 | 铸钢 | 不锈钢 | 不锈钢 | 橡胶 |
| 零件名称 | 导轨 | 挡块 | 导流罩 | 椎体 |
| 材料 | 不锈钢 | 不锈钢 | 铸钢 | 铸钢 |

可按客户需求定制,更多尺寸请咨询。
版权所有:博纳斯威阀门股份有限公司 地 址:天津市宝坻区九园工业园5号路
版权所有:博纳斯威阀门股份有限公司
地 址:天津市宝坻区九园工业园5号路