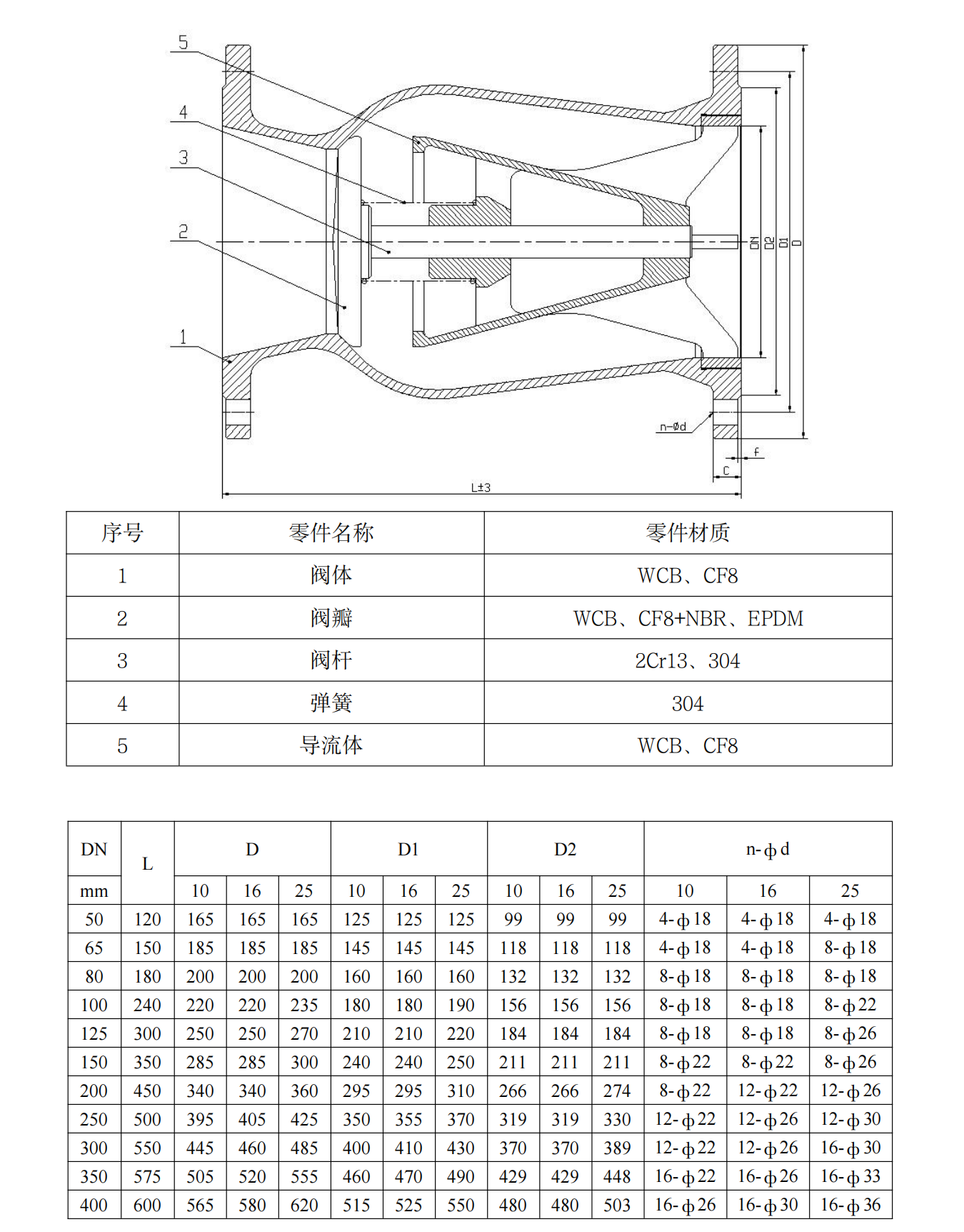
该阀的结构特征如图所示。该阀的主要特点是在阀门出口端安装了一个导流体。当介质从进口进入后,托起阀瓣流向出口。当介质停止进入时,出口管道内的介质必然急速回流。由于导流体的作用,回流的介质顺着导流体的外表面和阀体的内表面滑向进口,使倒流的介质不直接作用在阀瓣的大端面上,从而避免倒流介质对阀瓣的冲击,避免了水锤的产生,从而达到静音的效果。
序号 | 零件名称 | 零件材质 |
1 | 阀体 | WCB、CF8 |
2 | 阀瓣 | WCB、CF8+NBR、EPDM |
3 | 阀杆 | 2Cr13、304 |
4 | 弹簧 | 304 |
5 | 导流体 | WCB、CF8 |

版权所有:博纳斯威阀门股份有限公司 地 址:天津市宝坻区九园工业园5号路
版权所有:博纳斯威阀门股份有限公司
地 址:天津市宝坻区九园工业园5号路