1、由阀开启到阀关闭:
夹紧电机动作,带动丝杆作逆时针转动,阀体松开到位(指标灯显示),驱动电机动作,带动闸板作逆时针转动到位,闸板关闭到位(指示灯显示),夹紧电机动作,带动丝杆作顺时针转动,阀体夹紧到位(指示灯显示)完成阀门由开启到关闭的全过程。
2、阀门由关闭到开启:
夹紧电机动作,带动丝杆作逆时针转动,阀体松开到位(指标灯显示),驱动电机动作,带动闸板作顺时针转动,闸板开启到位,(指示灯显示)完成阀门由关闭到开启的全过程。
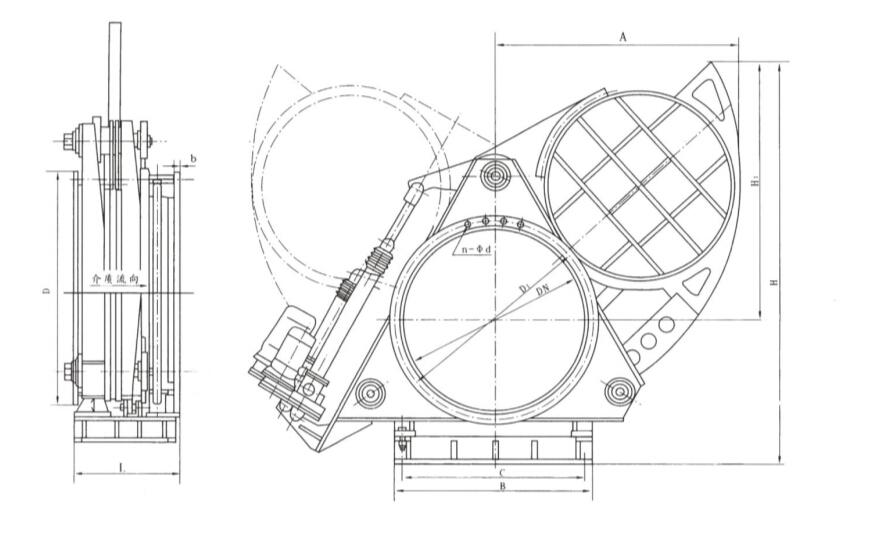
型号:F943X
连接形式:法兰
主体材料:碳钢,不锈钢
公称通径:100-3500
适用介质:煤气、易燃有害气体
密封形式:软密封
外形:中型
流动方向:单向
驱动方式:电动


版权所有:博纳斯威阀门股份有限公司 地 址:天津市宝坻区九园工业园5号路
版权所有:博纳斯威阀门股份有限公司
地 址:天津市宝坻区九园工业园5号路