Product Center

产品中心

BNSV 除尘放散阀

概述

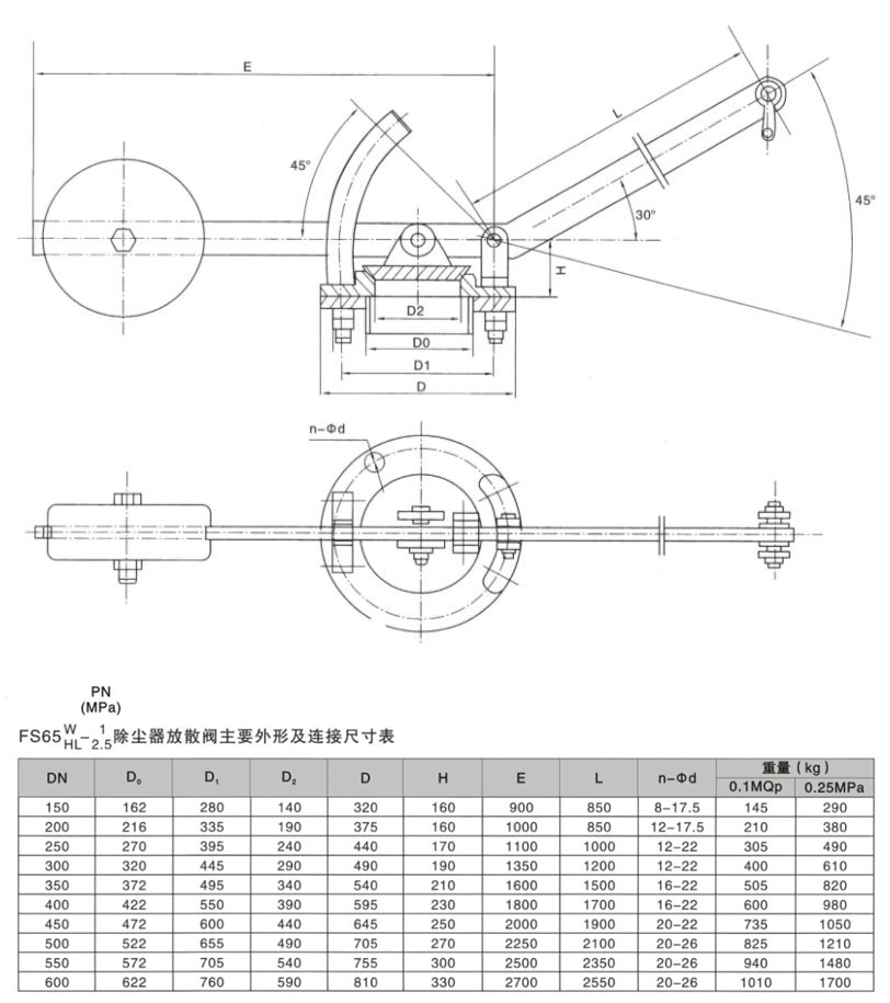
本阀由阀座、阀盖、阀杆、重锤、限制器等零件组成。阀杆为一杠杆机构,用阀杆的起落实现阀门的启闭,依靠重锤的重力使密封面吻合。适用于高炉及热风炉系统的放散系统。

采用上装式结构,在高压、大口径条件下减少了阀体自身的连接螺栓,增强了阀门的可靠性且能克服系统自重对阀门正常工作的影响。

型号:FS65X/W

连接形式:法兰

主体材料:碳钢,不锈钢

公称通径:DN150-600

适用介质:煤气、易燃有害气体

密封形式:硬密封

外形:中型

流动方向:单向

驱动方式:手动,气动,电动,液动